Catégories

Pièces d'origines

Fabricants

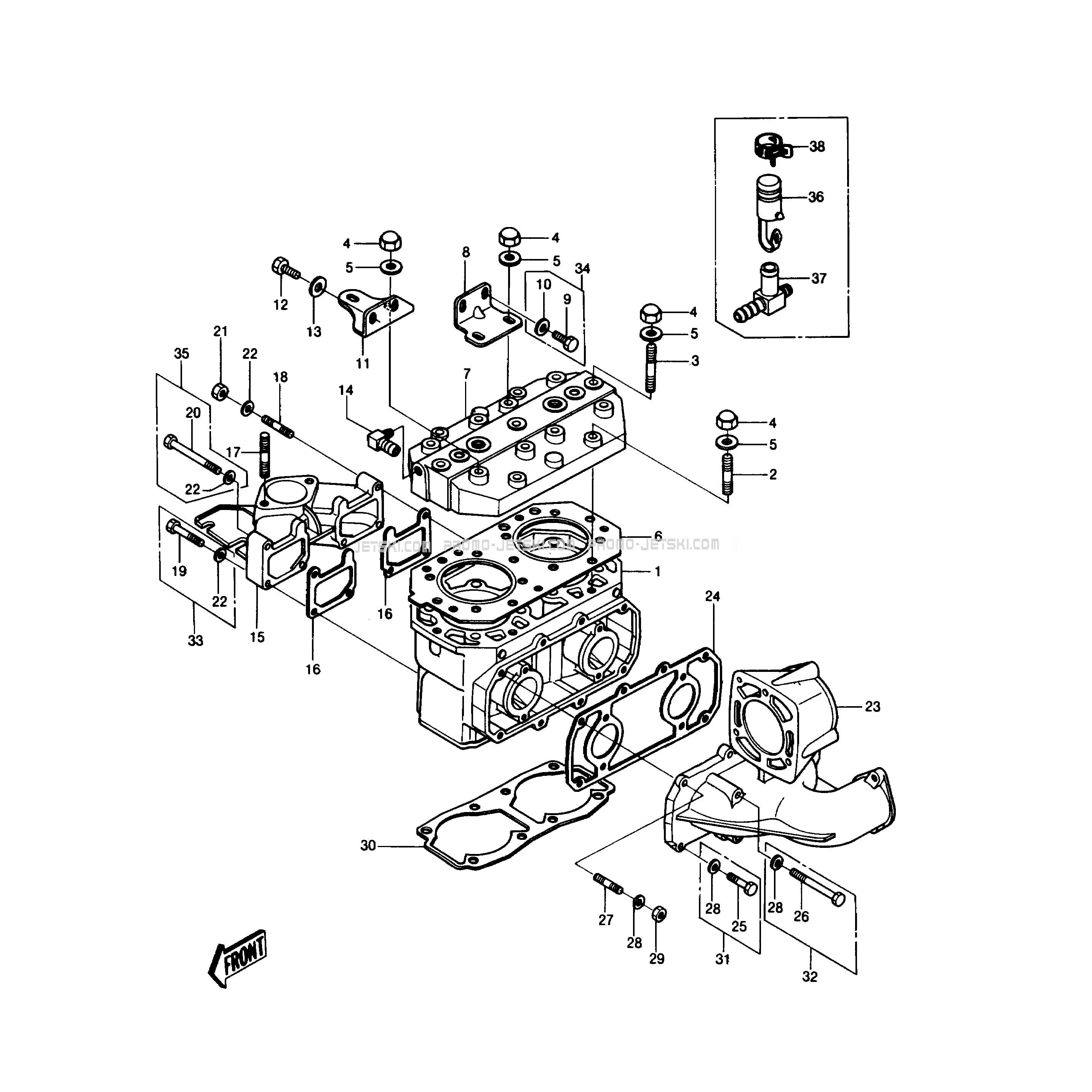
CYLINDER HEAD/CYLINDER  Kawasaki  JS550 1989  pièces OEM

Voici le schéma présentant le CYLINDER HEAD/CYLINDER pour un Kawasaki JS550. 
Ci-dessous, retrouvez toutes  références des pièces détachées de rechange et d'origine pour CYLINDER HEAD/CYLINDER  pour votre   Kawasaki JS550 1989 et disponibles chez Promo-jetski.com.

Dès le passage de votre commande, nous vous expédions vos références d’origine ou de remplacement pour votre CYLINDER HEAD/CYLINDER  pour JS550  Kawasaki dans les plus brefs délais ou nous passons la commande directement auprès de Kawasaki.

Les référence de rechanges pour CYLINDER HEAD/CYLINDER de  JS550 sont généralement livrées dans les délais indiqués, cependant et suivant certaines pièces pour jet ski Kawasaki , nous attirons votre attention sur les délais d'approvisionnement car nous sommes dépendant de la Kawasaki et nous faisons toujours notre maximum pour que les pièces de votre Kawasaki JS550 CYLINDER HEAD/CYLINDER vous soient livrés dans les plus brefs délais. Nous attirons aussi votre attention sur le fait que Kawasaki peut à tout moment nous fournir une référence de pièce différente de remplacement mais compatible avec votre  CYLINDER HEAD/CYLINDER de  JS550.

Voir plus...