Catégories

Pièces d'origines

Fabricants

JET UNIT 1  Yamaha  JB1050-X 2022 WaveRunner  pièces OEM

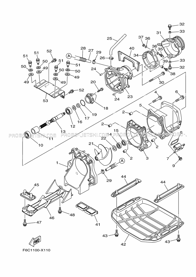
Voici le schéma présentant le JET UNIT 1 pour un Yamaha JB1050-X. 
Ci-dessous, retrouvez toutes  références des pièces détachées de rechange et d'origine pour JET UNIT 1  pour votre   Yamaha JB1050-X 2022 WaveRunner et disponibles chez Promo-jetski.com.

Dès le passage de votre commande, nous vous expédions vos références d’origine ou de remplacement pour votre JET UNIT 1  pour JB1050-X  Yamaha dans les plus brefs délais ou nous passons la commande directement auprès de Yamaha.

Les référence de rechanges pour JET UNIT 1 de  JB1050-X sont généralement livrées dans les délais indiqués, cependant et suivant certaines pièces pour jet ski Yamaha , nous attirons votre attention sur les délais d'approvisionnement car nous sommes dépendant de la Yamaha et nous faisons toujours notre maximum pour que les pièces de votre Yamaha JB1050-X JET UNIT 1 vous soient livrés dans les plus brefs délais. Nous attirons aussi votre attention sur le fait que Yamaha peut à tout moment nous fournir une référence de pièce différente de remplacement mais compatible avec votre  JET UNIT 1 de  JB1050-X.

Voir plus...