Catégories

Pièces d'origines

Fabricants

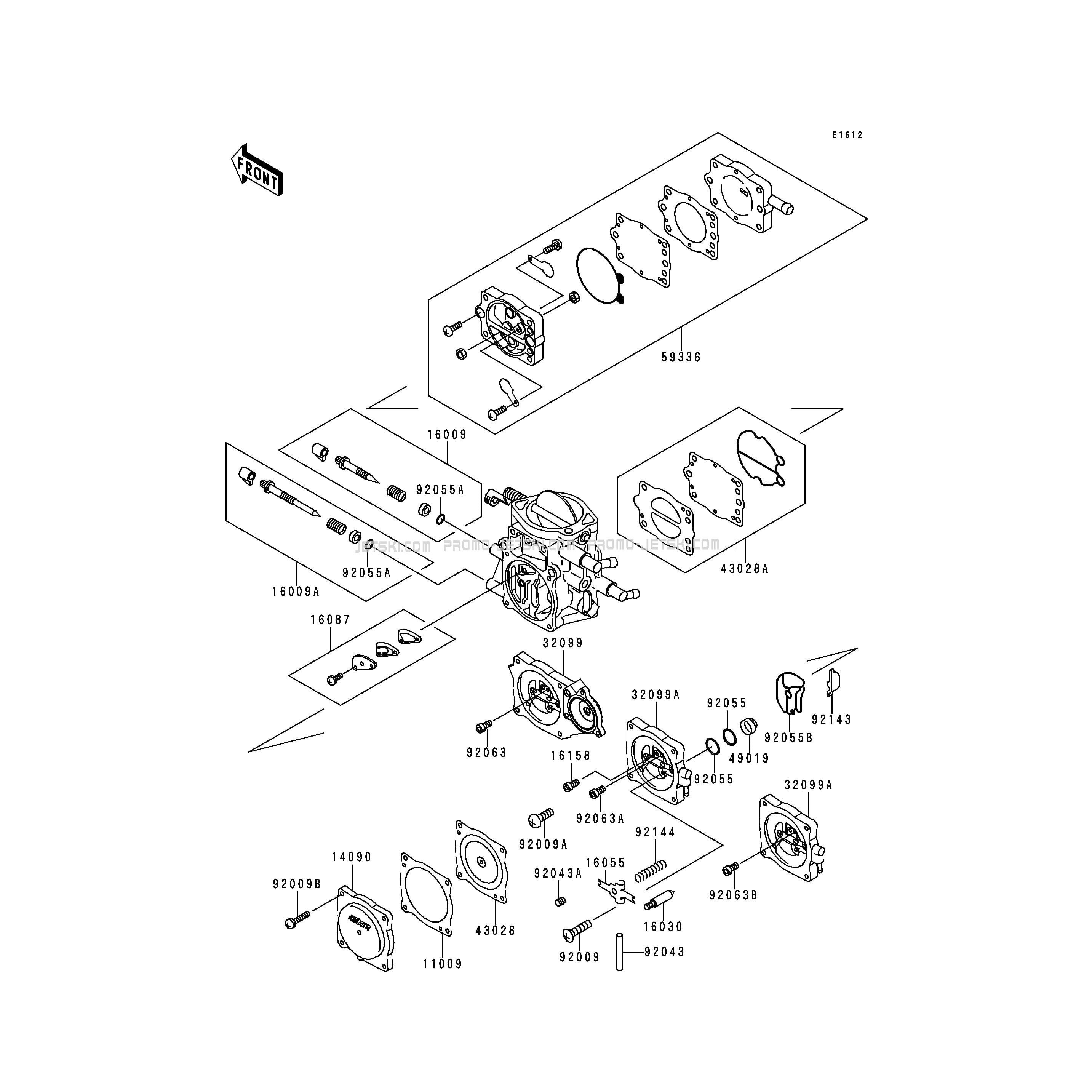
Carburetor Parts  Kawasaki  900 STX 1997  pièces OEM

Voici le schéma présentant le Carburetor Parts pour un Kawasaki 900 STX. 
Ci-dessous, retrouvez toutes  références des pièces détachées de rechange et d'origine pour Carburetor Parts  pour votre   Kawasaki 900 STX 1997 et disponibles chez Promo-jetski.com.

Dès le passage de votre commande, nous vous expédions vos références d’origine ou de remplacement pour votre Carburetor Parts  pour 900 STX  Kawasaki dans les plus brefs délais ou nous passons la commande directement auprès de Kawasaki.

Les référence de rechanges pour Carburetor Parts de  900 STX sont généralement livrées dans les délais indiqués, cependant et suivant certaines pièces pour jet ski Kawasaki , nous attirons votre attention sur les délais d'approvisionnement car nous sommes dépendant de la Kawasaki et nous faisons toujours notre maximum pour que les pièces de votre Kawasaki 900 STX Carburetor Parts vous soient livrés dans les plus brefs délais. Nous attirons aussi votre attention sur le fait que Kawasaki peut à tout moment nous fournir une référence de pièce différente de remplacement mais compatible avec votre  Carburetor Parts de  900 STX.

Voir plus...