Categories

vehiculier

Manufacturers

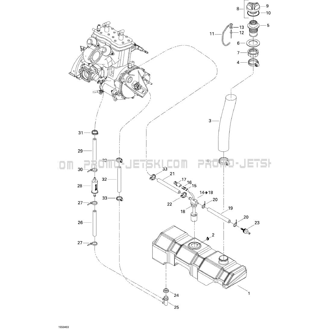
02- Oil System  Sea-Doo  GTI LE RFI, 2004 2004  Original parts OEM

Here is the diagram showing the 02- Oil System for Sea-Doo GTI LE RFI, 2004.
Below, find all references of original and spare parts for 02- Oil System for your Sea-Doo GTI LE RFI, 2004 2004 and available at Promo-jetski.com.

As soon as you place your order, we will send you your original or replacement references for your 02- Oil System for GTI LE RFI, 2004 Sea-Doo as soon as possible or we will place the order directly with Sea-Doo.

Spare references for 02- Oil System of GTI LE RFI, 2004 are generally delivered within the time indicated, however, and depending on certain parts for jet ski Sea-Doo, we draw your attention to the supply times as we are dependent on Sea-Doo and we always do our best to have the parts of your Sea-Doo GTI LE RFI, 2004 02- Oil System delivered to you as soon as possible. We also draw your attention to the fact that Sea-Doo can at any time provide us with a different replacement part number compatible with your 02- Oil System of GTI LE RFI, 2004.

See more...