Categories

vehiculier

Manufacturers

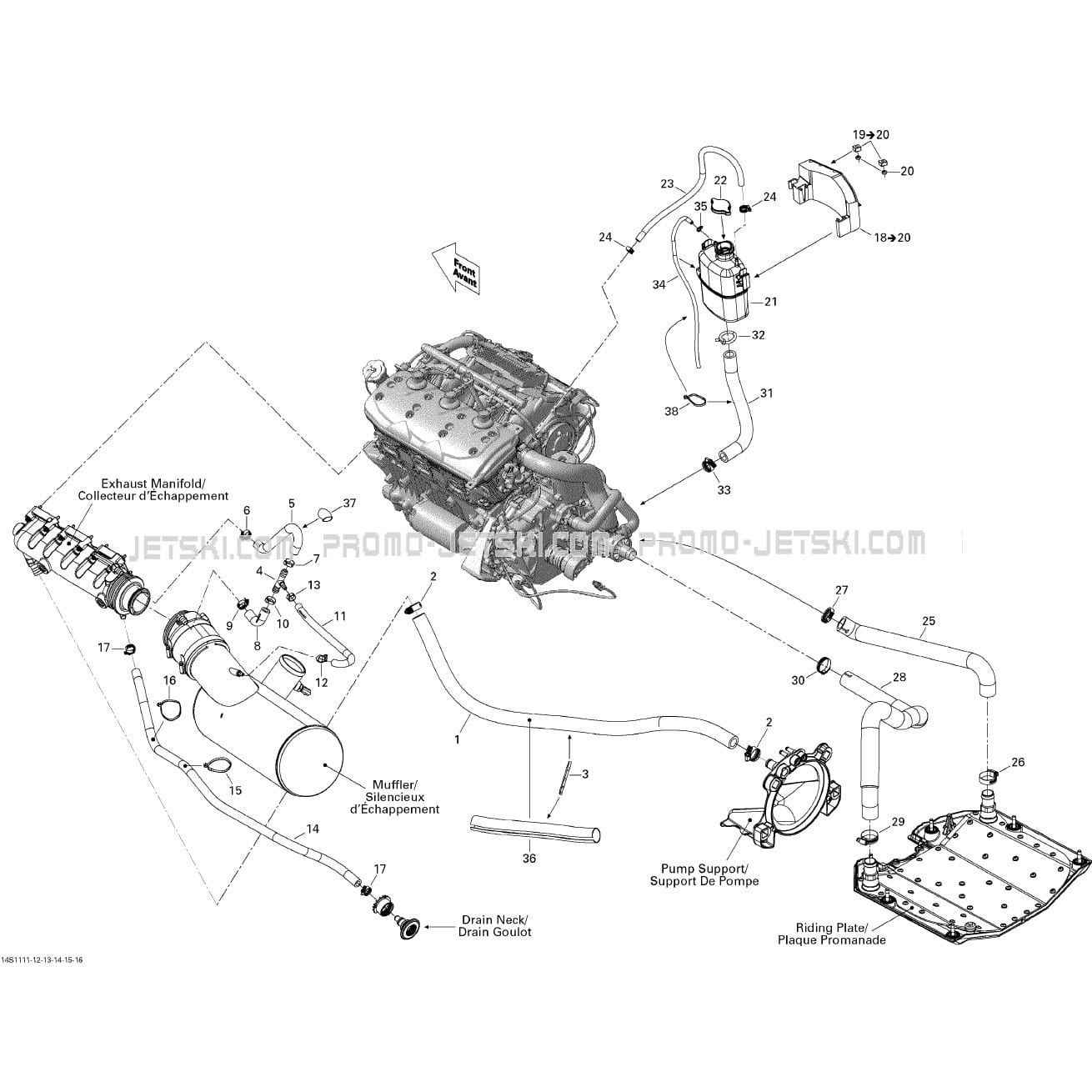
01- Cooling System  Sea-Doo  WAKE 155, 2012 (35CR, 35CS) 2012  Original parts OEM

Here is the diagram showing the 01- Cooling System for Sea-Doo WAKE 155, 2012 (35CR, 35CS).
Below, find all references of original and spare parts for 01- Cooling System for your Sea-Doo WAKE 155, 2012 (35CR, 35CS) 2012 and available at Promo-jetski.com.

As soon as you place your order, we will send you your original or replacement references for your 01- Cooling System for WAKE 155, 2012 (35CR, 35CS) Sea-Doo as soon as possible or we will place the order directly with Sea-Doo.

Spare references for 01- Cooling System of WAKE 155, 2012 (35CR, 35CS) are generally delivered within the time indicated, however, and depending on certain parts for jet ski Sea-Doo, we draw your attention to the supply times as we are dependent on Sea-Doo and we always do our best to have the parts of your Sea-Doo WAKE 155, 2012 (35CR, 35CS) 01- Cooling System delivered to you as soon as possible. We also draw your attention to the fact that Sea-Doo can at any time provide us with a different replacement part number compatible with your 01- Cooling System of WAKE 155, 2012 (35CR, 35CS).

See more...