Categories

vehiculier

Manufacturers

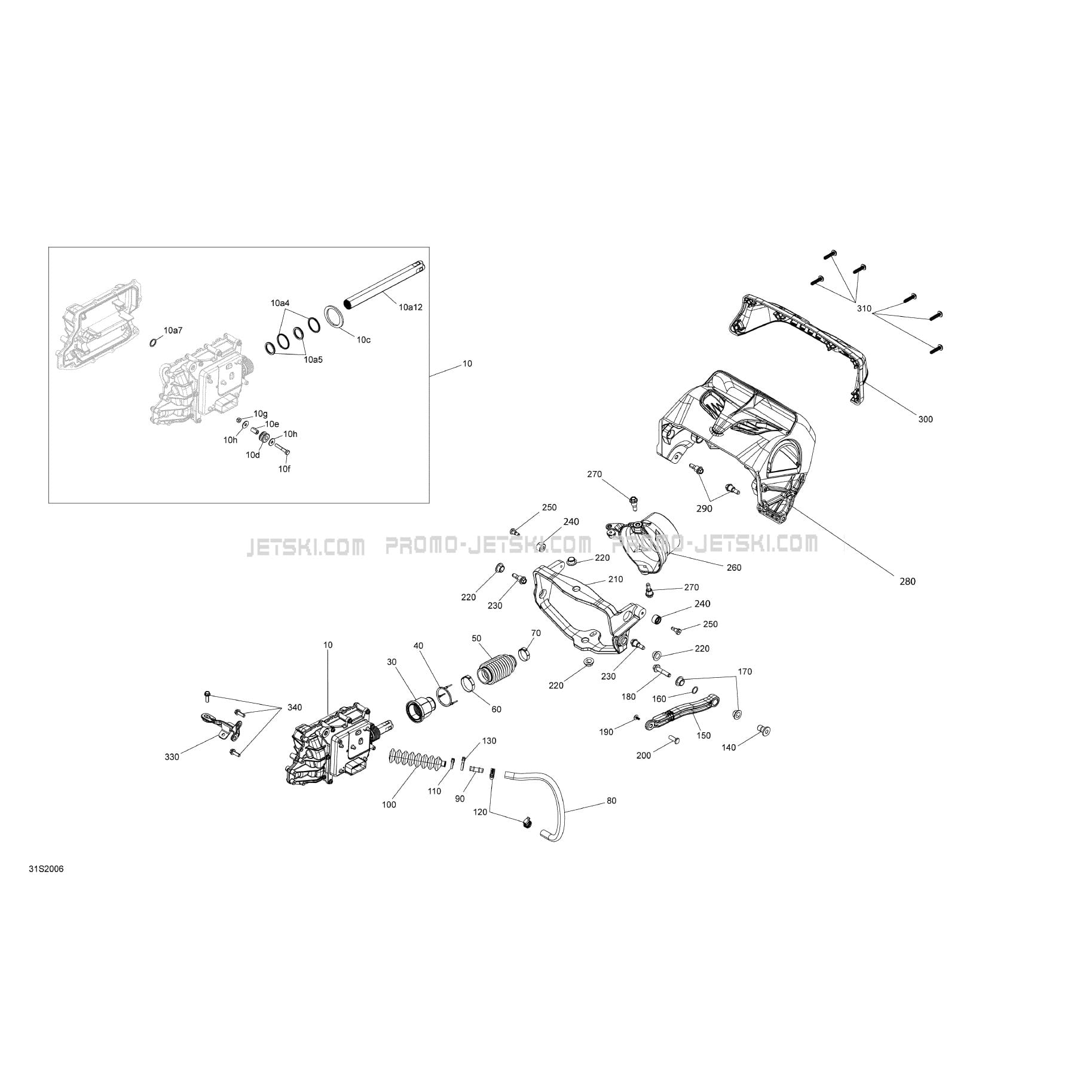
05- Reverse  Sea-Doo  002 - GTX 230, 2020 2020  Original parts OEM

Here is the diagram showing the 05- Reverse for Sea-Doo 002 - GTX 230, 2020.
Below, find all references of original and spare parts for 05- Reverse for your Sea-Doo 002 - GTX 230, 2020 2020 and available at Promo-jetski.com.

As soon as you place your order, we will send you your original or replacement references for your 05- Reverse for 002 - GTX 230, 2020 Sea-Doo as soon as possible or we will place the order directly with Sea-Doo.

Spare references for 05- Reverse of 002 - GTX 230, 2020 are generally delivered within the time indicated, however, and depending on certain parts for jet ski Sea-Doo, we draw your attention to the supply times as we are dependent on Sea-Doo and we always do our best to have the parts of your Sea-Doo 002 - GTX 230, 2020 05- Reverse delivered to you as soon as possible. We also draw your attention to the fact that Sea-Doo can at any time provide us with a different replacement part number compatible with your 05- Reverse of 002 - GTX 230, 2020.

See more...