Categories

vehiculier

Manufacturers

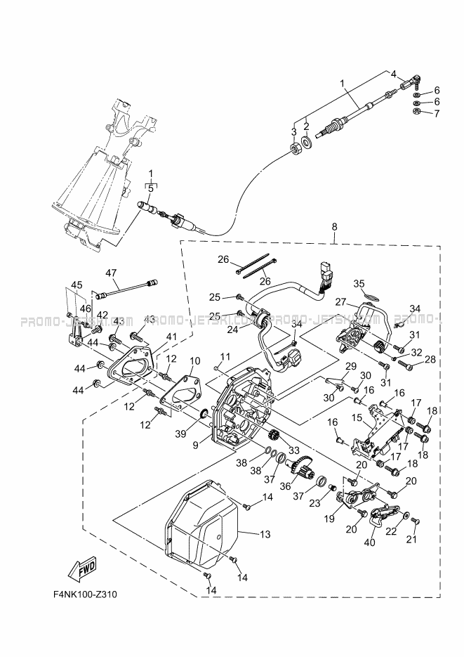
CONTROL CABLE  Yamaha  VX1050F 2024  Original parts OEM

Here is the diagram showing the CONTROL CABLE for Yamaha VX1050F.
Below, find all references of original and spare parts for CONTROL CABLE for your Yamaha VX1050F 2024 and available at Promo-jetski.com.

As soon as you place your order, we will send you your original or replacement references for your CONTROL CABLE for VX1050F Yamaha as soon as possible or we will place the order directly with Yamaha.

Spare references for CONTROL CABLE of VX1050F are generally delivered within the time indicated, however, and depending on certain parts for jet ski Yamaha, we draw your attention to the supply times as we are dependent on Yamaha and we always do our best to have the parts of your Yamaha VX1050F CONTROL CABLE delivered to you as soon as possible. We also draw your attention to the fact that Yamaha can at any time provide us with a different replacement part number compatible with your CONTROL CABLE of VX1050F.

See more...