Categories

vehiculier

Manufacturers

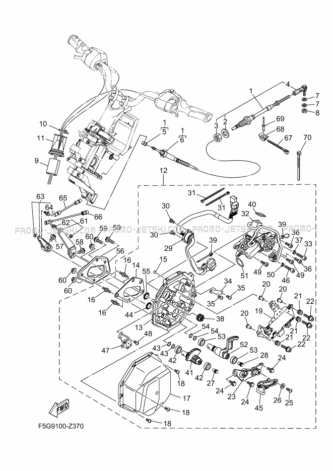
CONTROL CABLE  Yamaha  FX1900C 2024  Original parts OEM

Here is the diagram showing the CONTROL CABLE for Yamaha FX1900C.
Below, find all references of original and spare parts for CONTROL CABLE for your Yamaha FX1900C 2024 and available at Promo-jetski.com.

As soon as you place your order, we will send you your original or replacement references for your CONTROL CABLE for FX1900C Yamaha as soon as possible or we will place the order directly with Yamaha.

Spare references for CONTROL CABLE of FX1900C are generally delivered within the time indicated, however, and depending on certain parts for jet ski Yamaha, we draw your attention to the supply times as we are dependent on Yamaha and we always do our best to have the parts of your Yamaha FX1900C CONTROL CABLE delivered to you as soon as possible. We also draw your attention to the fact that Yamaha can at any time provide us with a different replacement part number compatible with your CONTROL CABLE of FX1900C.

See more...