Categories

vehiculier

Manufacturers

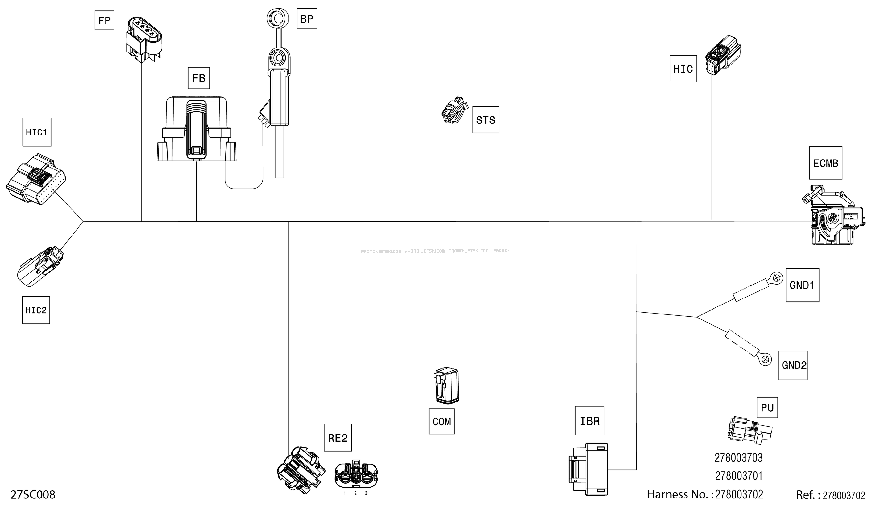
Electric - Main Harness - 278003702 - Model Without IBR  Sea-Doo  SPARK 90 - 3UP 2023  Original parts OEM

Here is the diagram showing the Electric - Main Harness - 278003702 - Model Without IBR for Sea-Doo SPARK 90 - 3UP.
Below, find all references of original and spare parts for Electric - Main Harness - 278003702 - Model Without IBR for your Sea-Doo SPARK 90 - 3UP 2023 and available at Promo-jetski.com.

As soon as you place your order, we will send you your original or replacement references for your Electric - Main Harness - 278003702 - Model Without IBR for SPARK 90 - 3UP Sea-Doo as soon as possible or we will place the order directly with Sea-Doo.

Spare references for Electric - Main Harness - 278003702 - Model Without IBR of SPARK 90 - 3UP are generally delivered within the time indicated, however, and depending on certain parts for jet ski Sea-Doo, we draw your attention to the supply times as we are dependent on Sea-Doo and we always do our best to have the parts of your Sea-Doo SPARK 90 - 3UP Electric - Main Harness - 278003702 - Model Without IBR delivered to you as soon as possible. We also draw your attention to the fact that Sea-Doo can at any time provide us with a different replacement part number compatible with your Electric - Main Harness - 278003702 - Model Without IBR of SPARK 90 - 3UP.

See more...