Categories

vehiculier

Manufacturers

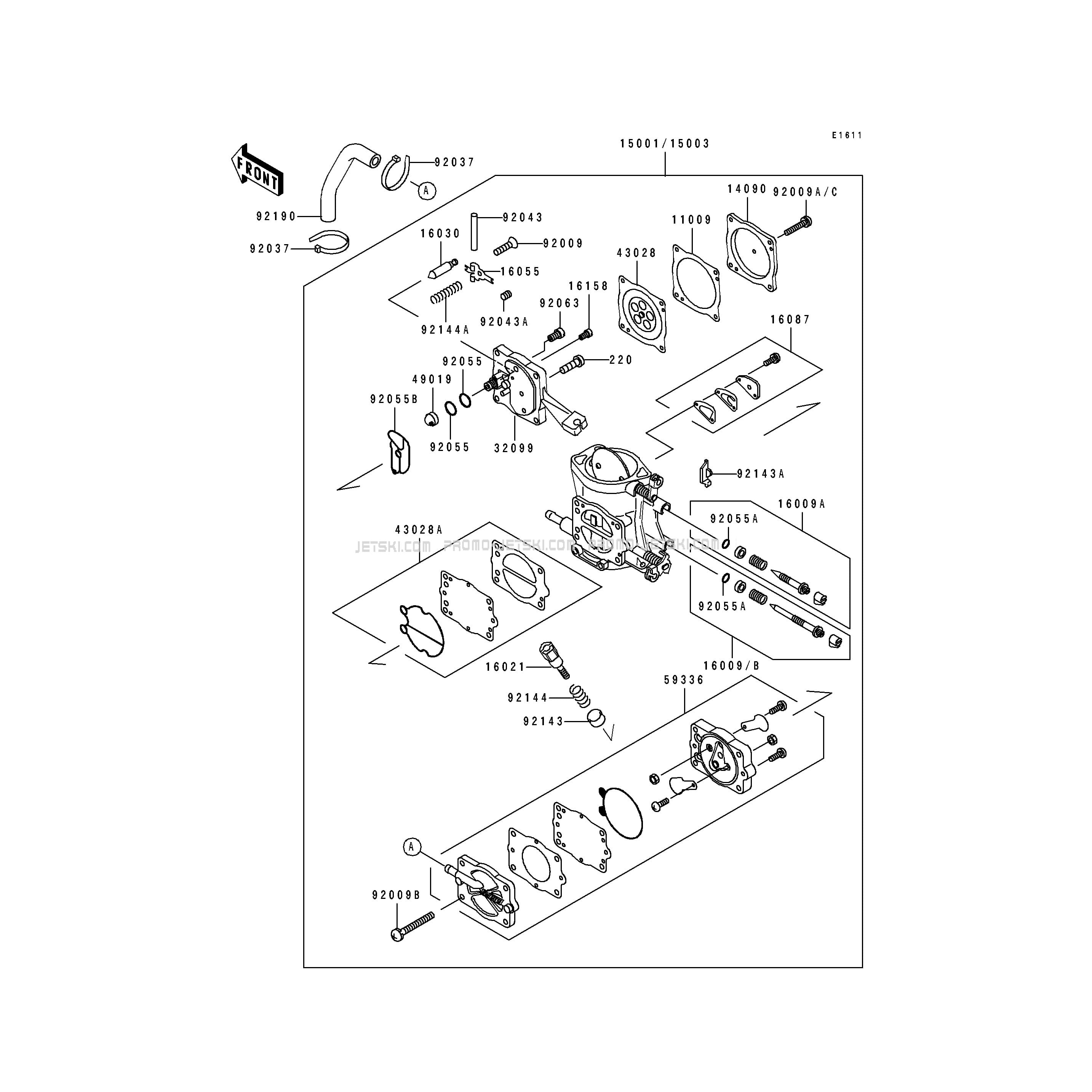
Carburetor  Kawasaki  TS 1995  Original parts OEM

Here is the diagram showing the Carburetor for Kawasaki TS.
Below, find all references of original and spare parts for Carburetor for your Kawasaki TS 1995 and available at Promo-jetski.com.

As soon as you place your order, we will send you your original or replacement references for your Carburetor for TS Kawasaki as soon as possible or we will place the order directly with Kawasaki.

Spare references for Carburetor of TS are generally delivered within the time indicated, however, and depending on certain parts for jet ski Kawasaki, we draw your attention to the supply times as we are dependent on Kawasaki and we always do our best to have the parts of your Kawasaki TS Carburetor delivered to you as soon as possible. We also draw your attention to the fact that Kawasaki can at any time provide us with a different replacement part number compatible with your Carburetor of TS.

See more...